One-Stop Aluminum Manufacturing

Since 1993, Zhongpeng has been a trusted aluminum manufacturer serving a wide range of industries. We deliver durable aluminum extrusions, aluminum coils and sheets, and custom aluminum components to meet the specific requirements of customers across industrial, construction, automotive, rail, electronics and solar sectors.

In addition to standard aluminum extrusions and flat-rolled products, we also supply custom aluminum extrusions and custom fabricated aluminum components tailored to your specifications and industry requirements.

    1. Custom Aluminum Extrusions
    2. Custom Aluminum Extrusions Zhongpeng has established an experienced design team of over 100 professionals, proficient in CATIA, SolidWorks, UG, ABAQUS, and other design and simulation software. Learn more
    1. Custom Fabricated Aluminum Components
    2. Custom Fabricated Aluminum Components The facility operates over 100 welding machines and 60 machining units, supplying major components to CRRC China, Hyundai Korea, Dawonsys rail manufacturers, and automotive OEMs such as Tesla, BMW, and Chery. Learn more

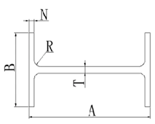
For outdoor installations, 6060 or 6061 aluminum I-beams are recommended. When combined with anodizing or painted surface treatment, these materials provide enhanced corrosion resistance suitable for long-term exposure.

The 6063 aluminum I-beam is ideal for such requirements. It features a smooth surface and high corrosion resistance, and supports multiple surface finishing options such as anodizing and painting, meeting both functional and aesthetic needs.